
Products
SC121
Swipe left and right more
※ SC121
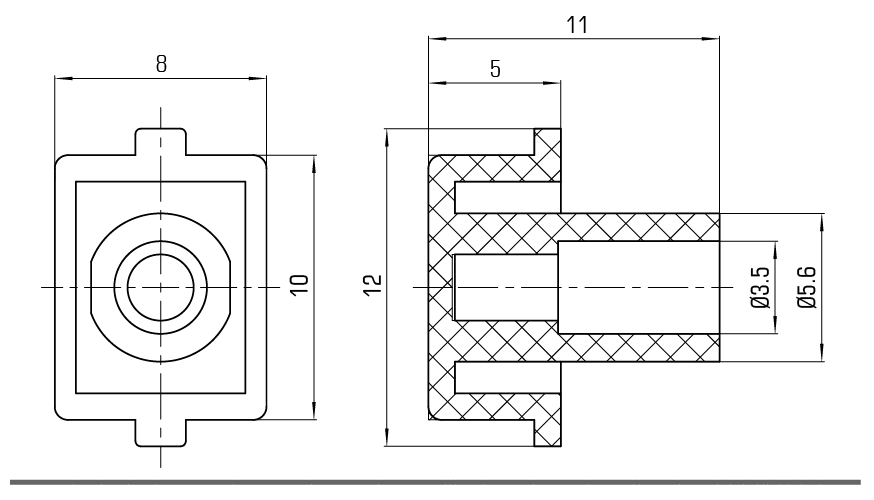
SC121 Switch Cap for 6×6、8×8、10×10、12×12 tact switch
Color: Chrome
※ DIAGRAM