
Products
SC304
Swipe left and right more
※ SC304AE1
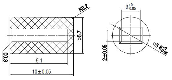
SC3 series with inner size 3×2mm for pushbutton switch | |
COLOR: | White |
texture of material: | ABS |
※ DIAGRAM