
產品中心
Products
SC212
左右滑動查看詳情
※ SC212
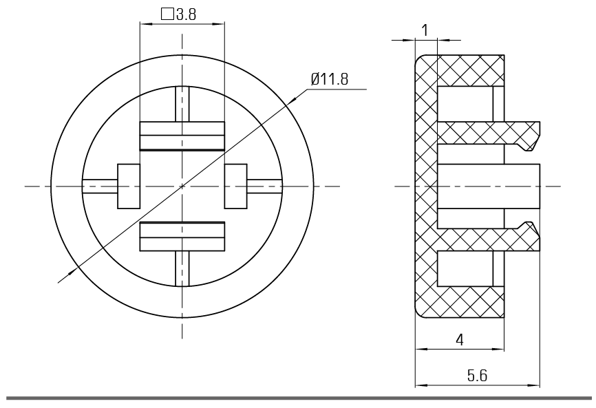
SC2鍵帽系列內孔為3.8×3.8mm配12×12方頭輕觸開關 | |
可選顏色: | 白色 , 藍色 |
訂單起訂量: | 1000只 |
※ 尺寸圖
戴帽總高 | 9.8 | 10.1 | 10.2 |
開關高度 | 7 | 7.3 | 7.4 |